- 手机:
- 15517599365
- 电话:
- 15517599365
- 邮箱:
- 1905466334@qq.com
- 地址:
- 郑州市惠济区天河路新城路惠苑社区15#楼
建筑概况
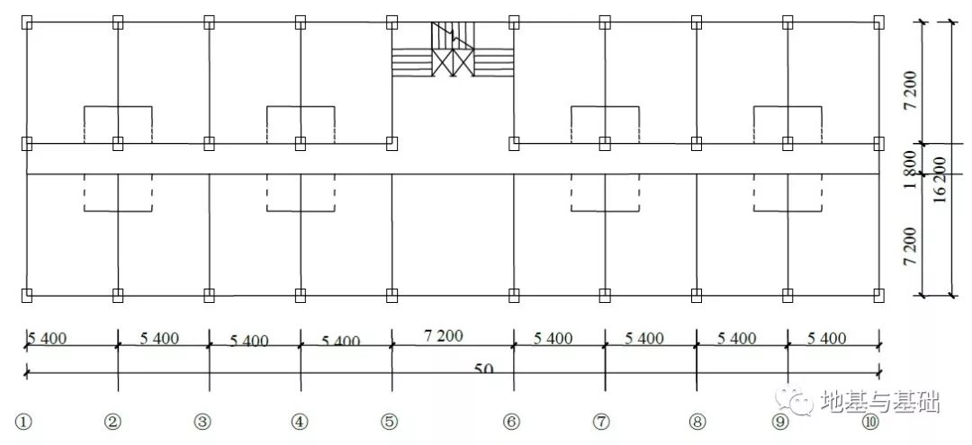
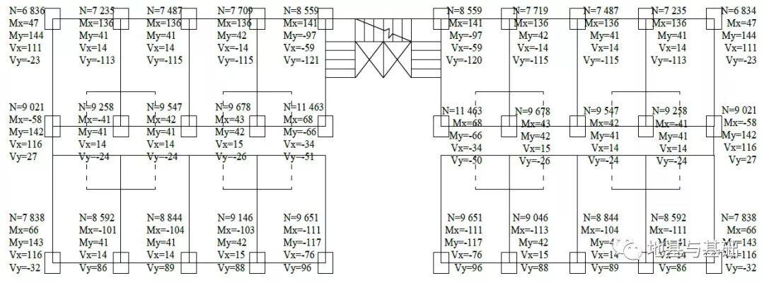
某高层学生公寓,建筑标准层平面如图所示。上部结构为钢筋混凝土框架结构,建筑物高度54m。底层柱子截面600mm×800mm(砼强度等级C45),抗震设防烈度为7度,抗震等级为3级。±0.00相当于罗零高程+7.80m,室内外高差为300mm。
建筑标准层平面示意图
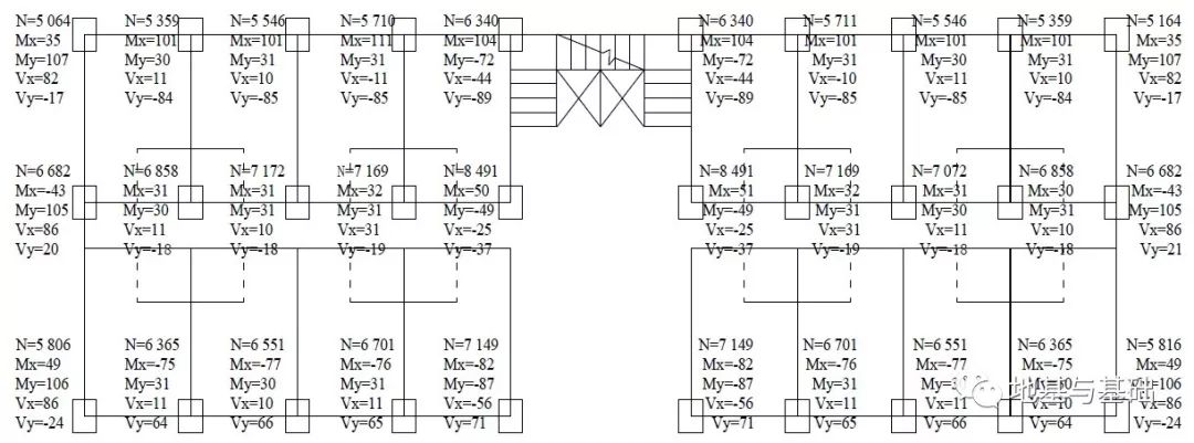
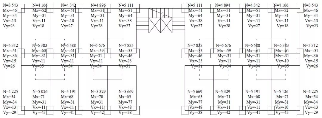
各种荷载组合作用下的底层柱底荷载(单位kN)
柱底内力图(基本组合)
柱底内力图(标准组合)
柱底内力图(准永久组合)
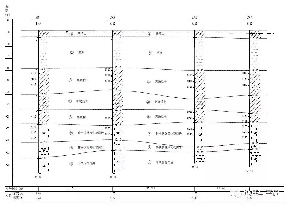
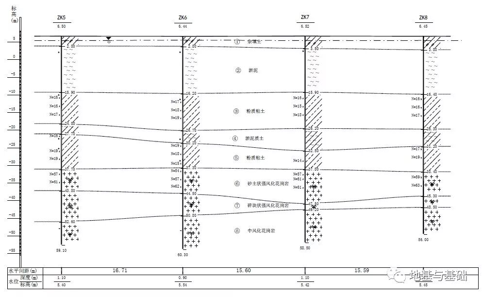
工程地质勘察报告
(1)土层描述
场地上部为人工回填的杂填土、冲洪积的粉质黏土,淤积的淤泥和淤泥质土,下伏基岩为燕山晚期花岗岩、花岗斑岩及其风化层,除拟建场地外围存在地下管线外,勘察中未见活动性断裂、滑坡、泥石流、崩塌、地面沉降等不良地质现象,未见有对本工程不利的埋藏物,如河滨、洞穴、孤石等。
根据野外钻探取芯肉眼鉴别,结合原位测试及室内土工试验成果分析,场地岩土层按其成因及力学强度不同可分为八层,现将各岩土层的特征自上而下分述如下:
①杂填土:人工堆填,灰黑、土黄、灰褐等杂色,稍湿-饱和,松散-稍密状,上部主要由人工回填土,即主要由黏性土,生活、建筑垃圾及碎石、碎砖构成,局部为原建筑地基,为条基或条石,该层全场地均有分布,均匀性较差,上部杂填土为前期拆迁堆填,下部堆填的黏土、瓦、砾等堆积年代大于10年。该层全场均有分布,该层分布厚度约2.60m~3.80m,平均厚度3.01m。
②淤泥:冲、淤积成因,灰黑色,很湿-饱和,流塑状,稍具臭味,含有少量有机质及腐殖质,黏性较强,切面光滑,有光泽,干强度,韧性中等,无摇震反应,局部夹少量呈透镜状及薄片状的粉细砂,含量约10%左右。该层局部相变为淤泥质土。该层场地均有分布,厚度变化大,层厚12.00m~17.60m,平均厚度为13.30m。
③粉质黏土:冲洪积成因,灰黄色、灰色,饱和,可塑,局部呈硬塑。含有铁锰质氧化物,以粉质黏性土为主,局部含较多的粉细砂。黏性较强,切面光滑,干强度,韧性高,无摇震反应。该层场地均有分布,厚度变化大,层厚8.30m~11.90m,平均厚度为10.05m。
④淤泥质土:冲、淤积成因,灰黑色,饱和,流塑-软塑,含腐植殖,稍有臭味,稍有光泽,无摇震反应,干强度中等,韧性中等,切面光滑,局部含薄层(片)粉细砂。该层场地均有分布,厚度变化大,层厚2.90m~8.20m,平均厚度为5.45m。
⑤粉质黏土:冲积成因,浅红色、深黄色、灰色,很湿-饱和,可塑,局部呈硬塑。含有铁锰质氧化物,以粉质黏性土为主,局部含较多的砂粒。黏性较强,切面较光滑,干强度,韧性高,无摇震反应。该层在场地中均有分布,厚度为4.00m~10.00m,平均厚度6.32m。
⑥砂土状强风化花岗岩:燕山晚期侵入岩,灰黄色、褐黄、灰白色,风化强烈,岩芯呈砂土状。岩芯采取率为71%,为散体状-碎裂状结构,岩体完整程度为极破碎-破碎,岩石坚硬程度等级为极软岩-软岩,岩体基本质量等级为Ⅴ级。该层场地中均有分布,厚度为3.40m~10.50m,平均厚度为6.96m。
⑦碎块状强风化花岗岩:燕山晚期侵入岩,灰黄色、褐黄、灰白色,上部风化强烈,岩芯呈砂土状,下部风化较弱,岩芯多呈碎块状。岩芯采取率为67%,为散体状-碎裂状结构,岩体完整程度为极破碎-破碎,岩石坚硬程度等级为极软岩-软岩,岩体基本质量等级为Ⅴ级。该层场地中均有分布,厚度为1.70m~9.70m,平均厚度5.60m。
⑧中风化花岗岩:燕山晚期侵入岩,浅砖红色、灰白色,中等风化,块状构造,含石英、长石、云母等矿物,钻进较困难,节理、裂隙少量发育,多呈闭合高倾角,岩芯多呈长柱状,少数短柱状。岩芯采取率为85%~95%,RQD=50%~75%,为块状结构,岩体完整程度为较完整,岩石坚硬程度等级为较硬岩-坚硬岩,岩体基本质量等级为Ⅳ级。该层场地均有分布,普遍揭示,揭示层厚4.60~9.60m,平均揭示厚度为7.12m,均未揭穿。各岩土层分布情况详见《工程地质剖面图》。
场地上部土层②淤泥、③粉质黏土、④淤泥质土及⑤粉质黏土的透水性差,且局部厚度较大,隔水性能较好,可视为相对隔水层,上层滞水与下部弱承压水的联系差。根据勘察施工期间钻孔内水位观测及各岩土层性状分析,本次勘察期间测得场地地下水混合稳定水位埋深为0.90m~1.20m,标高为5.34m~5.49m,受季节性变化影响本场地常年水位变幅约为2.00m。近期内年最高水位约为7.00m(罗零标高)。
地下水在干湿交替环境与长期浸水环境下对混凝土结构均具微腐蚀性,地下水在干湿交替环境对钢筋混凝土结构中的钢筋均具弱腐蚀性,在长期浸水环境下对混凝土结构均具微腐蚀性。场地内地基土对混凝土结构具微腐蚀性,对钢筋混凝土结构中的钢筋具微腐蚀性。
钻孔平面布置示意图,见图
工程地质剖面图
1-1'工程地质剖面图
2-2'工程地质剖面图
3-3'工程地质剖面图
各岩土层设计计算参数表
设计过程
(1)选择桩型
根据地质条件、上部荷载和施工条件,本工程桩基可选择预制桩方桩、高强PHC管桩和钻(冲)孔灌注桩。对钻(冲)孔灌注桩,端承力无法提高。按当地经验,采用钻(冲)孔灌注桩的造价高、工期长,且质量控制困难,故不予采用。
将预桩方桩和高强PHC管桩进行比较,两者在工期和质量上基本相近,但PHC管桩在造价上更具有优势,故本工程桩基采用高强PHC管桩。
(2)确定桩的截面尺寸
本工程采用PHC600-110AB-15型管桩,即该管桩直径为600mm,AB型,壁厚110mm,单节桩长为15m,桩身强度等级C80,抗裂弯矩标准值为224kN·m,桩身轴心受压承载力设计值为4255kN,理论质量440kg/m。
(3)确定桩长
本工程以第f层砂土状强风化花岗岩作为桩端持力层,桩端全断面进入持力层2.0d,桩端采用十字形钢桩尖。
初选承台埋深3.0m(约为建筑物高度的1/18,绝对标高4.5m处),承台厚度1.5m,桩顶嵌入承台0.10m。
ZK10持力层埋藏较浅,桩长L=37.5-6.48+4.5+1.2+0.1≈37m。ZK2持力层埋藏较深,桩长L=39.4-6.42+4.5+1.2+0.1≈39m。故设计桩长为37~39 m。
其他内容(点击查看)
上一篇:房屋地基基础加固真的很重要
下一篇:筏板基础施工特点和施工方法




